环规院概况
办公室
党委办公室(人事处)
科技发展与国际合作处
计划财务处
战略规划研究所
生态环境管理
与政策研究所
水生态环境规划研究所
大气环境规划研究所
生态保护修复
规划研究所
生态环境投资与产业综合研究所
形势分析与规划评估中心
生态环境风险损害
鉴定评估研究中心
生态环境规划与政策
模拟技术中心
生态环境工程咨询中心
土壤保护与景观设计中心
碳达峰碳中和
研究中心
黄河生态保护研究中心
重金属环境风险防控
研究中心
气候投融资研究中心
减污降碳协同治理研究中心
海洋生态环境管理研究中心
京津冀区域生态环境研究中心
长江经济带生态环境联合研究中心
环境保护税研究中心
农村环境保护中心
生态环境补偿研究中心
生物多样性与
自然保护地研究中心
美丽中国研究中心
无废社会创新中心
新污染物与环境健康研究中心
排放交易与减排研究中心
企业绿色治理
研究中心
生态环境与经济
核算中心
EOD创新中心
生态环境分区管控
研究中心
水生态研究中心
发表日期:2022年04月18日
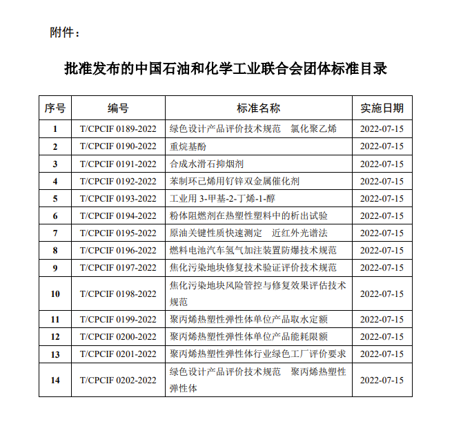
我院牵头编制的两项焦化污染地块团体标准正式发布
2022年4月14日,中国石油和化学工业联合会发布公告2022年第02号,正式批准《焦化污染地块修复技术验证评价技术规范(T/CPCIF 0197-2022)》《焦化污染地块风险管控与修复效果评估技术规范(T/CPCIF 0198-2022)》两项团体标准发布实施。
这两项标准为我院牵头的国家重点研发计划场地土壤污染成因与治理技术专项 “焦化场地安全开发利用模式与应用推广机制研究”(2018YFC1803004)课题的关键研究成果。《焦化污染地块修复技术验证评价技术规范》是我国土壤修复领域内首次发布的技术验证评价规范(Environmental Technology Verification,ETV),填补了技术验证评价方法在土壤修复行业中的应用空白。该标准从技术修复效果、绿色低碳性、运行稳定性、维护管理方便性等方面构建了我国焦化污染地块土壤修复领域技术验证评价指标体系,提出了现场测试要求、验证评价方法等关键技术要求,为土壤修复领域新技术提供了科学、客观的评价方法,将有力推动我国土壤修复技术向绿色低碳方向发展。
《焦化污染地块风险管控与修复效果评估技术规范》的发布进一步完善了我国污染地块环境管理技术体系。该规范提出了焦化污染地块原位修复策略下的效果评估方法体系,针对热脱附、化学氧化、多相抽提等修复技术的薄弱点和修复过程的薄弱环节强化了采样点位布设的针对性,细化了焦化污染地块二次污染防治区域划定方法和检测指标,提出了异味控制效果评估的技术要点。该规范的实施将进一步促进焦化污染地块安全开发利用,同时为其他行业污染地块风险管控与修复效果评估技术规范的制定提供宝贵经验。


相关专题:
相关信息:
没有相关信息
没有相关信息
相关信息:
打印本页


综合信息

京公网安备 11010702002483